• Сигнал звуковой (EUR)

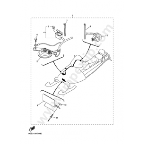
Все запасные части представлены на схеме ниже
Для заказа необходимой Вам запчасти нам нужен каталожный номер (пример - 8H8-12611-01)

Для уточнения стоимости и наличия позвоните , напишите в окне заказа или пишите на почту: parallel-72@yandex.r


Схема запчастей для Электрика

Сигнал звуковой (EUR)



1

8JE-833A0-00

Сигнал звуковой, комплект

1

2

3MX-83371-11

Сигнал звуковой

1

3

8FR-83976-02

Включатель

1

4

8JE-82509-00

Провод

1

5

5JJ-82151-50

Предохранитель (3A-BL)

1

6

95822-06016

Болт

1

7

437-83936-01

Хомут

2

8

90465-13152

Хомут пластмассовый

1

9

8GU-21641-00

Крепление

1

10

90201-05036

Шайба

2

11

90267-47186

Заклепка (4.7X16.4 мм, черная)

2


Написать отзыв

Примечание: HTML разметка не поддерживается! Используйте обычный текст.
    Плохо           Хорошо

Сигнал звуковой (EUR)

  • Модель: Сигнал звуковой (EUR)
  • Наличие: В наличии
  • 0р.


Заказать в 1 клик

Мы перезвоним Вам и уточним детали